文库 工程类投标方案 改造工程

某老旧小区改造设计方案113页.docx

DOCX   113页   下载85   2024-06-20   浏览418   收藏0   点赞0   评分-   57660字   23.00

AI慧写标书

十分钟千页标书高效生成

温馨提示:当前文档最多只能预览 15 页,若文档总页数超出了 15 页,请下载原文档以浏览全部内容。
某老旧小区改造设计方案113页.docx 第1页
某老旧小区改造设计方案113页.docx 第2页
某老旧小区改造设计方案113页.docx 第3页
某老旧小区改造设计方案113页.docx 第4页
某老旧小区改造设计方案113页.docx 第5页
某老旧小区改造设计方案113页.docx 第6页
某老旧小区改造设计方案113页.docx 第7页
某老旧小区改造设计方案113页.docx 第8页
某老旧小区改造设计方案113页.docx 第9页
某老旧小区改造设计方案113页.docx 第10页
某老旧小区改造设计方案113页.docx 第11页
某老旧小区改造设计方案113页.docx 第12页
某老旧小区改造设计方案113页.docx 第13页
某老旧小区改造设计方案113页.docx 第14页
某老旧小区改造设计方案113页.docx 第15页
剩余98页未读, 下载浏览全部

开通会员, 优惠多多

6重权益等你来

首次半价下载
折扣特惠
上传高收益
特权文档
AI慧写优惠
专属客服
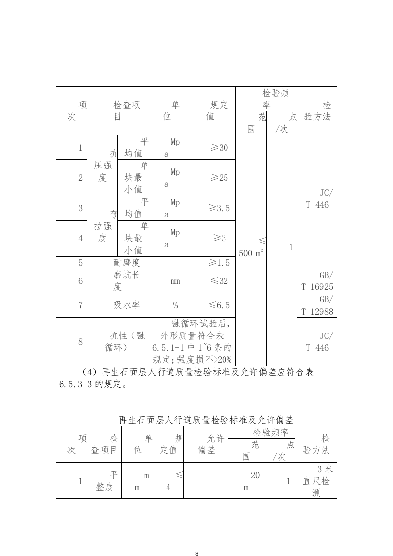
目录 第一部分、设计说明 1 工程概况 1 (一)道路工程设计 1 一、土基 3 二、基层 3 三、整平层 4 四、路缘石、界石及树池 6 五、挡车柱 7 六、基层 7 七、整平层 7 (二) 交通工程设计说明书 10 一、 本次设计采用的规范和标准 10 二、 设计原则 11 三、 技术要求 12 设计原则: 15 版面设计 16 标志 16 技术要求 16 (三)亮化工程设计 19 一、 总体设计 19 (四)排水管网工程设计 21 一、 设计说明书 21 工程任务及设计范围 21 设计原始资料 22 (五)燃气工程设计 35 一、 设计目的 35 二、 原始资料 36 (六)电气设计 41 一、电缆结构设计与物料用量计算 41 二、导体部分有关设计与计算: 41 三、导体绞合节距设计: 41 四、制线规对应截面积及绞线节距 41 五、多根绞合导体外径计算: 42 (七)挡土墙设计 72 一、 重力式挡土墙设计 73 二、抗滑稳定性验算: 76 墙身自重力臂计算: 76 抗倾覆稳定性验算 76 (八)老年活动中心设计 77 一、 初步设计文件深化要求 77 二、 各分项设计优化方案 79 建筑设计 79 结构设计 80 电气设计 82 给水排水设计 85 通风与空气调 设计 87 绿色建筑设计 88 绿化设计 89 节能环保 90 第二部分、项目优化设计 91 (一) 设计进度保证 91 (二)设计 管理组织概述 91 ( 三 )组建最佳管理项目组 91 ( 四 ) 设计 管理体系 92 ( 五 ) 设计 控制的方法 93 ( 六 ) 优化 控制的措施 93 (七) 关键环节的管理 94 (八) 项目 优化 分阶段管理 94 (九) 设计工作安排 94 ( 十 )选择专业的人员组织 95 ( 十一 )制定设计进度计划 95 ( 十二 )保证设计进度措施 96 ( 十三 )设计服务周期 97 (十四) 跟踪服务承诺 97 (十五) 基本服务承诺 98 ( 十六 )设计质量的跟踪配合措施 98 ( 十七 )设计服务周期的跟踪配合措施 99 ( 十八 )设计编制过程中服务的承诺 99 (十九) 分阶段服务承诺 100 (二十) 服务时间承诺 101 (二十一) 现场配合服务 102 (二十二) 与业主的配合承诺 102 (二十三) 设计服务承诺书 103 (二十四)整体规划布局 103 设计文件一般原则 103 设计任务: 104 第一部分、设计说明 工程概况 项目基本情况:XX市场XX小区拟改造小区内水、电、气分户计量 292 户。主要包括改造供水管道 510 米、供电管道 510 米、供气管道 510 米、雨污管道 900 米、道路 1000 平方米、照明设施 30 盏、环卫设备 10 台、管线入地 510 米、消防设施 10 台、安防设备 10 台、小区外连接雨污主管网 150 米。 XX老旧小区改造内容及工程数量主要包括:十字街麻石板车行道造改造面积约4363 ㎡,麻石板人行道改造面积约 653 ㎡,麻石路缘石改造长度约 1328m,城市家具(垃圾箱)7 个。现状水泥路面板及基层破除面积约 2506 ㎡,现状路面下石板拆除面积约 2506m2,现状电力架空线入地长度约 1640m。沿江大道 SBS 改性沥青砼[AC-13C]车行道改造面积约 2020 ㎡,C30 水泥砼压模人行道改造面积约 726 ㎡。麻石立缘路缘石(12*35*90)改造长度约 455m,沿江大道新建 5.5m 高挡土墙长度约 175m,现状水泥路面板及基层破除面积约 1355 ㎡。 (一)道路工程设计 人行道设计应充分考虑与道路红线外用地的竖向衔接,避免出现积水。 为满足排水要求和保障行人安全,人行道横坡宜采用单面坡,坡度宜为1.0%~2.0%。 人行道绿化分隔带需结合具体情况按一定间距设置排水口,将水排到绿化带或车行道上。 在沿线建筑紧靠路边区域,人行道应铺设至建(构)筑物墙角;在建筑退界和未建成区域,应按设计要求铺设。 当道路外侧绿化带宽度大于等于10m时,人行道应结合景观要求与绿化带做一体化设计。 公共服务性设施 (1)变电箱和非机动车停放点等,其设置以道路规划红线以外的公共场地等为主、以符合条件的人行道为辅。 (2)以路缘石转弯切点为界的交叉口范围内,为保障行车视线通畅,人行道上不得设置公共服务性设施。 (4)人行道宽度小于3m时不宜设置候车亭。 (5)距人行地道梯道起点处及地铁站点出入口处10m范围内的人行道上不得设置公共服务性设施。 (6)宽度不小于3m的人行道,非机动车停放点须设置于公共设施带内。宽度小于3m的人行道,不得设置非机动车停放点。 (7)设施带中的小型配电、变电设施宜结合周边区域的地块性质及建筑特色进行外立面装饰。 设计原则 景观性原则:铺装材料主色调以贴近自然的灰色系为主,并与城市风格相协调;铺砌形式简洁大气,符合城区整体景观定位。 实用性原则:对于景观要求较高的道路,其人行道面层的材料、颜色和铺砌形式应依据景观设计方案确定。 c)基层主要承受面层传下来的荷载,并扩散至土基。基层应具有一定的强度和稳定性。基层分柔性基层、刚性基层及半刚性基层三类。 d)垫层应有利于排水,改善水文条件,提高基层的稳定性。 结构组合 (1)人行道主要供行人使用,应结合人行道的功能定位、周边环境及施工条件等因素选择相应的结构组合。 (2)人行道铺装常用结构组合如下表所示,可参照选用。 各类结构层的组合形式 结构层类型 铺面类型 预制块 石材 再生石 现浇水泥混凝土 面层 ☆ ☆ ☆ ☆ ☆ ☆ ☆ 整平层 ☆ ☆ ☆ ☆ ☆ 柔性基层 级配碎石等 ☆ ☆ 刚性基层 水泥混凝土 ☆ ☆ ☆ 半刚性基层 二灰碎石等 ☆ ☆ 垫层 级配碎石等 ☆ ☆ ☆ ☆ ☆ 一、土基 人行道土基应均匀、密实和稳定,土基压实度应不小于重型击实标准90%。人行道下管线施工后,其沟槽回填应采用砂或粘土分层夯实,若遇不良地质或覆土不满足要求时,应采取加固等处理措施,其土基压实度应与人行道土基的要求一致。 人行道铺装下埋设公用管线,铺装结构层下的覆土深度应不小于下表的规定。 二、基层 刚性基层 (1)刚性基层适用于土基软弱、地下管线覆土厚度偏小、难以碾压密实,以及对面层平整度、抗沉陷要求较高的地段。 (2)刚性基层一般采用C20~C25普通水泥混凝土,宜采用再生混凝土。 (3)设计厚度应视铺装结构组合确定。 (4)水泥混凝土刚性基层应符合《公路水泥混凝土路面设计规范》(JTG D40- 2011)中的相关要求。透水性水泥混凝土基层应符合《透水水泥混凝土路面技术规程》(CJJ/T 135- 2009)中的相关要求。 三、整平层 石材、再生石及预制块等面层下应设置整平层。 整平层可采用砂、石屑、干硬性水泥砂浆和水泥砂浆等,根据铺面材料性质选用,并满足整平层强度要求;水泥砂浆中宜采用再生细骨料。 人行道上设有绿化带时应采用干铺,无绿化带时宜采用湿铺;石材、再生石面层应采用湿铺。 砂应采用中粗砂;石屑应采用粒径3mm~6mm,含泥量应小于5%。 水泥砂浆中水泥与砂的质量配合比宜为1:3。 干硬性水泥砂浆的质量配合比参考范围:水泥:砂 =1:(5~7)。 面层如采取干铺,其基层宜采用透水性基层。 (5)人行道范围内公共设施基础处理需结合基础埋深情况,若设施基础埋深满足铺装需求,铺装材料与基部相接处需采用设计材料切板拼贴;若埋深不满足其铺装需求,建议采用水刷石或彩色混凝土等材料修饰。 (6)绿地内甬道铺装宜采用干铺花岗岩石板的方式,花岗岩石板及缝宽尺寸应合理计算以满足行人的行走舒适度。 (7)面层铺装方式原则上采用横铺齐缝;不同材质或不同样式的相交道路人行道铺装衔接处,需结合其各自特点进行设计,以保证人行道铺装的整体景观效果。 (8)人行道面层宜增设提示牌或引导牌等铺装样式。 石材 (1)石材面层系指采用天然的、经过加工的半成品铺设的面层,石材质量应符合行业标准《天然花岗岩石建筑板材》(GB/T18601)有关规定,石材表面宜采用火爆或锯拉杠等增大摩擦的方法进行处理。 (2)石材铺面应根据使用要求和现场条件对板块尺寸、厚度、形状、色差搭配拼接等进行设计。板块厚度不宜小于25mm。石材接缝应控制在1mm~3mm之间;若有景观要求,勾缝缝宽可控制在8~10mm之间。 (3)石材面层图形设计时,不同尺寸面板的厚度应相同;在坡道、转角等变换地点,面板形状应顺势转换,自然过渡。 (4)石材面层应采用刚性基层。根据铺面长度与线型,水泥混凝土基层与石材面层应设置上下贯通的胀缝,胀缝间距宜为40m~80m。在纵、横坡变化处,应设置变形缝。 再生石 (1)再生石质量应符合行业标准《混凝土路面砖》(JC/T 446)的要求。 (2)再生石铺面应根据使用要求和现场条件对板块尺寸、厚度、形状、色差搭配拼接等进行设计。 (3)再生石接缝宽度应为3mm。 (4)再生石面层应采用刚性基层。根据铺面长度与线型,水泥混凝土基层与再生石面层应设置上下贯通的胀缝,胀缝间距宜为40m~80m。在纵、横坡变化处,应设置变形缝。 四、路缘石、界石及树池 选材和截面尺寸应按道路等级、建设规模、景观环境和使用要求进行设计。 材质应采用花岗岩,抗压强度大于100MPa;若采用混凝土,直线型抗折强度应大于5MPa,曲线型抗压强度应大于35MPa。 路缘石截面尺寸:快速路、主干路宜为35*25*100cm;次干路宜为30*20*100cm;支路宜为30*(15~20)*100cm;居住区道路宜为30*15*100cm。 路缘石外露面高度:城市快速路宜为20cm,主干路宜为15~20cm,次干路和支路宜为15~18cm,居住区道路宜为15cm。 界石截面尺寸宜为15*(10~12)*80cm;界石外露面高度宜为3~5cm。 路缘石、界石安装最大缝宽为3mm。 路缘石和界石在转角处、弯道处以及避让圆形井盖等障碍物时,需结合现场情况采用曲线型成品。曲线型路缘石弧长不宜小于0.5m;曲线型界石弧长不宜小于0.4m。 树池间距应结合园林绿化行道树设计要求布置,正方形树池每边净宽宜为1.2~1.5m,矩形绿化带净宽宜大于等于1.0m。 主要交通干道或人流密集区人行道内树池宜设置树池篦子,篦子造型及材料需结合周边区域特色并满足植物生长的要求。 五、挡车柱 在不设置绿化带的人行道无障碍坡道处,结合停车情况考虑设置挡车柱。 挡车柱须以安全性、舒适性为首要原则,结合周边区域特点进行设计。 六、基层 柔性基层和半刚性基层应进行充分压实。狭窄地段,可用小型机具压实。 基层材料应避免或减少在运输、摊铺过程中的粗细粒料离析现象。 基层的施工与检验标准应符合《城镇道路工程施工与质量验收规范》(CJJ 1-2008)中的相关要求。 七、整平层 采用水泥砂浆作为整平层时,根据施工季节及铺筑条件,可添入缓凝剂等外加剂,以 便施工;施工时,宜采用预拌水泥砂浆;水泥等级必须符合设计要求及现行国家标准要求。 干铺时整平层宜用中砂,其细度模数宜为2.3~4.0,含泥量应小于5%。若采用石屑,其粒径为3~6mm,含泥量应小于5%。 (3)再生石的物理力学性能应符合设计要求 再生石物理力学性能要求 项次 检查项目 单位 规定值 检验频率 检验方法 范围 点/次 1 抗压强度 平均值 Mpa ≥ 30 ≤ 500 m 2 1 JC/T 446 2 单块最小值 Mpa ≥ 25 3 弯拉强度 平均值 Mpa ≥ 3.5 4 单块最小值 Mpa ≥ 3 5 耐磨度 ≥ 1.5 6 磨坑长度 mm ≤ 32 GB/T 16925 7 吸水率 % ≤ 6.5 GB/T 12988 8 抗性(融循环) 融循环试验后,外形质量符合表6.5.1-1中1~6条的规定;强度损不>20% JC/T 446 (4)再生石面层人行道质量检验标准及允许偏差应符合表6.5.3-3的规定。 再生石面层人行道质量检验标准及允许偏差 项次 检查项目 单位 规定值 允许偏差 检验频率 检验方法 范围 点/次 1 平整度 mm ≤ 4 20m 1 3米直尺 检测 2 横坡 % 设计值 士0.3 20m 1 水准仪 检测 3 纵缝 直顺度 mm ≤ 10 40m 1 20m小线量取最大值 4 横缝 直顺度 mm ≤ 10 20m 1 沿宽度拉小线量取最值 5 接缝宽度 mm 设计值 +3/-2 20m 1 直尺靠量 6 井框与面层差 mm ≤ 3 每座 1 直尺靠量 量 7 相邻块高差 mm ≤ 2 20m 1 直尺靠量 8 与侧石顶面差 mm 5 士 2 20m 1 直尺靠量 现浇水泥混凝土 (1)水泥混凝土面层施工应在基层检验合格、侧石基础达到规定强度后方可进行。 (2)水泥混凝土面层的强度和厚度应符合设计要求。 (3)水泥混凝土面层完工后应养护,强度达到要求后放可开放。 (4)水泥混凝土面层的施工与检验标准应符合《城镇道路工程施工与质量验收规范》(CJJ 1-2008)中的相关要求;透水水泥混凝土面层的施工与检验标准应符合《透水水泥混凝土路面技术规程》(CJJ/T 135-2009)中的相关要求。 (二) 交通工程设计说明书 一、 本次设计采用的规范和标准 1、《中华人民共和国道路交通安全法》。 2、《道路交通标志和标线第1部分:总则》GB 5768.1-2009。 3、《道路交通标志和标线第2部分:道路交通标志》GB 5768.2-2009。 4、《道路交通标志和标线第3部分:道路交通标线》GB 5768.3-2009。 5、《路面标线用玻璃珠》 GB/T 24722-2009。 6、《道路预成形标线带》 GB/T 24717-2009。 7、《变形铝及铝合金化学成分》GB/T3190-2008。 8、《一般用铝及铝合金板、带材第1部分:一般要求》GB/T 3880.1-2006。 9、《一般用铝及铝合金板、带材第2部分:力学性能》GB/T 3880.2-2006。 10、《一般用铝及铝合金板、带材第3部分:尺寸偏差》GB/T 3880.3-2006。 11、《道路交通标志板及支撑件》GB/T 23827-2009。 12、《公路交通标志反光膜》GB/T18833-2012。 13、《道路交通信号灯》GB 14887-2003。 14、《道路交通信号灯设置与安装规范》GB 14886-2006。 17、《无障碍设计规范》GB 50763-2012。 18、《公路工程质量检验评定标准》JTG F80-2004。 19、《道路交通标志板及支撑件》GB/T 23827-2009。 交通标线 二、 设计原则 1、各标线的设置应符合《道路交通标志和标线 第3部分:道路交通标线》(GB5768.3-2009)的要求。 2、标线用于管制和引导交通,应具有鲜明的确认效果。标线设置在路面上,应具有附着力强、经久耐磨、使用寿命长、耐候牲好、抗污染、抗变色等性能。同时,标线还应具有施工时干燥迅速、施工方便、安全性能好等性能。在夜间,标线应具有良好反光效果,对行驶车辆的诱导有重要作用。 3、除减速标线外,一般热熔型涂料的冷膜厚度为1.8±0.2mm。 三、 技术要求 1、标线材料的质量要求 道路标线涂料采用环保反光热熔涂料涂划,标线涂料应符合《道路交通标志和标线第3部分:道路交通标线》(GB 5768.3-2009)、《路面标线涂料》(JT/T280-2004)的有关规定。 2、标线质量要求 标线现场施工质量应符合《公路工程质量检验评定标准》(JTGF80/1-2004)的要求。 a.路面标线喷涂前,应仔细清洁路面,保证表面干燥、无起灰现象。 b.路面标线的颜色、形状和设置位置应符合《道路交通标志和标线第3督分:道路交通标线》(GB 5768.3-2009)的规范和设计要求。 c.标线施工污染路面应及时清理。 d.标线线形应流畅,与道路线形相协调,曲线圆滑,不允许出现折线。 e.反光标线玻璃珠应撒布均匀,附着牢固,反光均匀。 f. 标线表面不应出现网状裂缝,起泡现象。 3、玻璃珠的级配及技术指标: a.反光热熔型路面标线涂料在固态状态下,涂料中含18%~23%玻璃珠。 b.面撒玻璃珠用量为0.3~0.4kg/m²。施工时涂布涂层后立即将玻璃珠撒布在其表面,分布均匀。玻璃珠应符合JT/T 466《路面标线用玻璃珠》的有关规定。 c.玻璃珠密度(在23℃±2℃的二甲苯中)2.4~2.6g/cm³;外观无色透明球状,扩大10~50倍观察时,熔融团、片状、尖状物、有气泡等瑕疵不应超过总量的20%;玻璃珠的折射率(20℃浸渍法)≥1.5。 4、涂料的品质必须符合如下技术指标规定: a.密度(g/cm 3 ):1.8~2.3。 b.软化点(℃):90~120。 c.涂膜外观:涂膜冷凝后应无皱纹、斑点、起泡、脱落及表面无发粘现象,涂膜的颜色和外观与标准版差别不大。 d.不粘胎干燥时间(min):≤3。 e.色度性能:应满足JT/T 280-2004标准的涂膜颜色的色品坐标和光反射比的要求。 5、施工过程中的注意事项 a.控制涂料及玻璃珠的材料品质、控制路面千燥清洁、控制底漆均匀到位、控制水线线形顺直及位置正确、控制划线机行走线形顺直及位置正确。 b.车道的划分见图中标注。道路平面宽度不规则的路段原则按车道平均分配划线。(标线、导向箭头和路面文字的厚度为1.8mm±0.2mm)。 c.敷设标线的路面表面应清洁干燥,在水泥砼或旧沥青路面敷设标线时,需要预涂底油,水泥砼和沥青路面的下涂剂不能混用。 d.白色反光标线的逆反射亮度系数不应低于150mcd·m -2 ·1x -1 ,黄色反光标线的逆反射亮度系数不应低于100mcd·m -2 ·1x -1 。 6、其他标线见大样图。 四、 标志 设计原则: 1)、为确保道路行车快捷、通畅,以完全不熟悉该条道路及其周围路网体系的外地司机为主要使用对象,兼顾沿线居民对本地出行的需求,通过交通标志的引导,顺利、快捷、正确地进出本道路,抵达目的地或实现过境目的,不允许发生错向行驶、错误选择出口。 2)、交通标志的结构外形、版面设计要求以美学为指导,做到庄重、大方、美观。 3)、标志设置,以GB5768 2009《道路交通标志和标线》为基础,针对本道路交通实际运行特点,一方面,做到各类标志形式的规范一致,标志内容的系统协调;另一方面,注重标志间距的均衡分配,在立交密集或隧道路段适当减少标志设置层次,避免标志林立、信息过载。能够科学合理地发挥交通管理功能。 ①.道路交通标志的形状、图案、尺寸、设置、构造、反光和照明以及制作,均应按《道路交通标志和标线》(GB5768-2009)执行。 ②.道路交通标志的文字应书写规范、正确、工整。根据需要,可用汉字和其他文字。当标志上采用中英两种文字时,地名用汉语拼音,专用名词用英语。 ③.道路交通标志的边框外缘,应有衬底色。衬底色规定为:警告标志黄色,禁令标志白色,指示标志蓝色,指路标志蓝色。 ④.交通标志应设在车辆行进正面方向最容易看见的地方。可根据具体情况设置在道路右侧,或车行道上方。同一地点需要设晋两种以上标志时,可以安装在—根标志柱上,但最多不应超过四种。可以安装在—根标志柱上,但最多不应超过四种。 ⑤.柱式标志不应侵入公路建筑限界内,标志内边缘距路面边缘不得小于25cm。标志牌下缘距人行道路面的高度为≥200cm;悬臂式标志牌的板底到路面距离≥550cm。 ⑥.道路交通标志的支撑方式有单立柱式、中悬臂式。 ⑦.各类交通设施的杆件、螺栓、螺母均应进行热浸镀锌防锈处理。 版面设计 为了满足本道路主线设计车速40km/h,辅道情况下道路使用者对标志信息的视认要求,根据国标及设计车速主线指路标志汉字高度为40cm。指路标志的颜色为蓝底白字白图案,若有指向快速路、高速公路等的信息,则该指路标志或相对应的内容颜色为绿底白字白图案。 根据国标及设计车速警告标志的三角形长主线为90cm;禁令标志中,圆形标志外径主线为80cm;指示标志中,圆形标志直径主线为80cm;正方形边长主线为80cm。警告、禁令和指示标志的颜色按国标要求选取。 标志 必须遵循GB5768 2009《道路交通标志和标线》的指导精神,采纳国内外最新科研成果和成功经验,采取“路名为主,地名为辅”的原则,在信息分级的基础上,严格按照信息选取原则,科学合理地选择指路信息,建立完整的信息发布体系。 1)、指路标志 指路标志的设计是建立在信息分级的基础上的,对分级信息按照通用的信息选取原则进行选择,并建立了完整的信息发布体系。 2)、限速标志 根据《中华人民共和国道路交通安全法》精神和本道路实际交通运行中的交通组成调查数据,选100km/h作为主路基本限速值。 3)、其他标志的设置 本路段的警告、禁令和指示标志的设置应根据国标和设计车速合理选取前置距离进行设置。 技术要求 1)、材料 ①.标志立柱和横梁 凡钢管外径152mm以下(含152mm)的立柱和横梁,采用普通碳素结构钢(A3)焊接钢管,应符合GB700-88的要求; 凡钢管外径在152mm以上的立柱和横梁,采用一般常用热轧无缝钢管,并符合相关标准的规定。 标志立柱柱帽和横梁帽 采用普通碳素结构钢板,板厚3mm。 ②.标志板、滑动槽钢 采用LF2铝合金板材,并符合相关国标在尺寸偏差方面的规定的规定。 ③.高强螺栓 高强连接螺栓和高强地脚螺栓(包括相应的螺母、垫圈),应采用40B或45号钢,并符合GB1231-76的规定。 ④.水泥混凝土基础材料混凝土强度应不小于20Mpa,并符合现行《公路钢筋混凝土及预应力混凝土桥涵设计规范》的有关规定。 ⑤.钢筋采用热轧结构等级圆钢筋,I级3号钢(位于桥梁上的标志基础钢筋采用II级),并符合现行《公路钢筋混凝土及预应力混凝土桥涵设计规范》的有关规定。 ⑥.定向反光标志膜采用高强级定向反光膜,其回归反射光度值(最小值),反光膜颜色的角点座标和标志色泽耐用期应满足交通部JT/T 279-1995《公路交通标志板技术条件》的要求。 2)、反光要求 本道路标志板采用Ⅳ类反光膜。 3)、制作 ①.交通标志的形状、图案,颜色应严格按照GB5768-2009 《道路交通标志和标线》标准或设计图的规定执行。为了确保指路标志的视认性,指路标志汉字必须采用交通标志专用字体,阿拉伯数字和英文字也应符合GB5768-2009的规定,不允许采用其它字体。标志板面应无皱纹、起泡、开裂、剥落、色差等,并具有良好的反光性能和耐久性。 ②.交通标志的边框外缘应有衬底色。衬底色规定为: 警告标志黄色,禁令标志白色。警告标志(边长a=900mm)、禁令标志(直径D=800mm),其衬底的宽度C=6mm。 ③.标志板与滑动槽钢、卷边加固件连接,在保证连接强度和标志板面平整,不影响贴反光膜的前提下,可采用铆接或点焊。 ④.考虑到大型指路标志在制造、运输、安装过程中的困难,厂家在制造过程中,根据标志版面设计的具体情况允许采取适当分割的办法来制造,可以分别贴反光膜,分开运输,在安装时再进行拼接。 ⑤.交通标志杆的安装应在基础浇筑后养护一阶段,待形成设计强度后才能进行。立杆完成后,再装标志板。 4)、施工注意事项: ①.路侧设置的柱式标志,标志板内缘距土路肩边缘距离不应小于25cm; 悬臂式标志,标志板下缘距路面的净空高度不得小于5.5m。 ②.所有标志立柱和横梁都应焊接柱帽和横梁帽,柱帽和横梁帽用钢板冲压成型。 ③.标志板在运输、吊装过程中应小心,避免对标志板、反光膜产生任何损伤。 ④.交通标志杆一般采用焊接杆、无缝钢管或对接槽钢,其材料性能不得低于Q253钢。立柱、横梁及外露钢构件应采用热浸镀锌处理,锌付着量不得低于550g/m2(厚度约0.078mm)。标志杆表面颜色用浅灰色。 ⑤.螺栓、螺母、垫圈采用镀锌处理。如采用热浸镀锌,必须清理螺纹或作离心处理。 ⑥.铝合金板、铝合金挤压型材与钢材接触的部位,应采用相应的防锈措施。 ⑦.镀锌层在运输、安装过程中造成的损伤,应及时采取补救措施。 ⑧.交通标志板与标杆之间连接部件,应采用不锈钢紧固夹或抱箍连接,并要求牢固可靠。紧固夹数量:1)安装在直标杆或弯标杆上,其数量应与标志板上型铝根数相同;2)安装在F标杆上,其数量为横梁数乘以标志板上型铝的根数。若安装必须使用过渡管时,其长度不得超出标志版面的长度。 ⑨.焊接采用手工电弧焊,焊条牌号J422,焊缝表面要求光滑,圆滑,平整,焊接牢固可靠,焊后应清除焊渣。 ⑩.在安放标志立柱底脚时应用水平尺校准至水平。混凝土砂浆必须捶捣密实,同立柱连接的螺栓应拧上,螺纹周围应擦上牛油。立柱底脚法兰边线应与道路边线平行,基础的表面应砌筑光滑。 5)、各类交通设施标志的杆件、螺栓、螺母均应进行热镀锌防锈处理,杆件再喷涂银灰色的防锈处理。 注意事项 1、设计图纸施工前,若发现现场情况与本图纸不符,应通知设计单位进行调整。 2、未能明确路名的标志牌版面暂时留空,施工时标志牌的版面内容必须经过交警部门的审核方可实施。 3、图示交通标志定点时应结合现场条件加以调整,以增强可视性,尤其注意不要被树叶遮挡,为道路使用者更好的指示交通。 4、本工程施工时所有交通设施的安装均应在交警的指导及监督下进行。 (三)亮化工程设计 一、 总体设计 施工设计参考的规范和标准 电路配管、配线施工及电器、灯具安装除遵以下守规范外,尚应符合国家现行有关标准规范以及设计规范的规定。 《电缆敷设施工工艺标准》 《低压电缆头制作安装施工工艺标准》 《电气装置安装工程施工规范》 《城市环境(装饰)照明规范》 《接地装置施工及验收规范》 《建筑电气工程施工质量验收规范》(GB50303-2002) 《建筑照明标准》(GB50034-2004) 《综合布线系统安装施工工艺标准》 除以上标准如与设计图纸的要求不同时,以最新的标准为准,国家现行的通用标准规范及安装规范同样适用,有更新的,以最新标准为准。汇集了新知识的一项综合技术,它随着专业相关技术的发展而发展的。尤其是设备的性能和档次越来越高,专业工程技术的重要性就越来越强,同样的造价,不同的设计,工程质量会有高低之分;同样的设备,不同的设施,工程质量也会有高低之分。 工程调试时经常遇到达不到要求的现象,这就说明设备在安装和设置上有问题。所以调试时可能首先会遇到部分设备外壳带电的问题,虽然外壳带电不一定影响设备的使用,但会危及到使用者的安全,必须彻底解决。 城市亮化工程要体现城市艺术、人文特色。一个城市的好坏,关键是首先要有一个好的总体规划。在城市亮化工程建设中,亮化的建设按照城市定位来规划建设,规划分为总体规划和局部规划。做到特色和功能定位相吻合,每个城市亮化工程重点突出,特征鲜明,较好地表现出城市的功能、特色和历史文凭内涵。 根据城市自身特色,制定高起点、高标准、高水平的城市亮化工程发展总体规划以上各项步骤完成之后,依所选的安装位置等条件的照度计算来决定,以求安装完成后效果能够尽量接近所希望
某老旧小区改造设计方案113页.docx
下载提示

1.本文档仅提供部分内容试读;

2.支付并下载文件,享受无限制查看;

3.本网站所提供的标准文本仅供个人学习、研究之用,未经授权,严禁复制、发行、汇编、翻译或网络传播等,侵权必究;

4.左侧添加客服微信获取帮助;

5.本文为word版本,可以直接复制编辑使用。


这个人很懒,什么都没留下
未认证用户 查看用户
该文档于 上传
×
精品标书制作
百人专家团队
擅长领域:
工程标 服务标 采购标
16852
已服务主
2892
中标量
1765
平台标师
扫码添加客服
客服二维码
咨询热线:192 3288 5147
公众号
微信客服
客服