文库 货物类投标方案 机械设备

第十二章__主要施工机械设备、试验、.doc

DOC   17页   下载657   2024-08-29   浏览552   收藏95   点赞446   评分-   9.00

AI慧写标书

十分钟千页标书高效生成

温馨提示:当前文档最多只能预览 15 页,若文档总页数超出了 15 页,请下载原文档以浏览全部内容。
第十二章__主要施工机械设备、试验、.doc 第1页
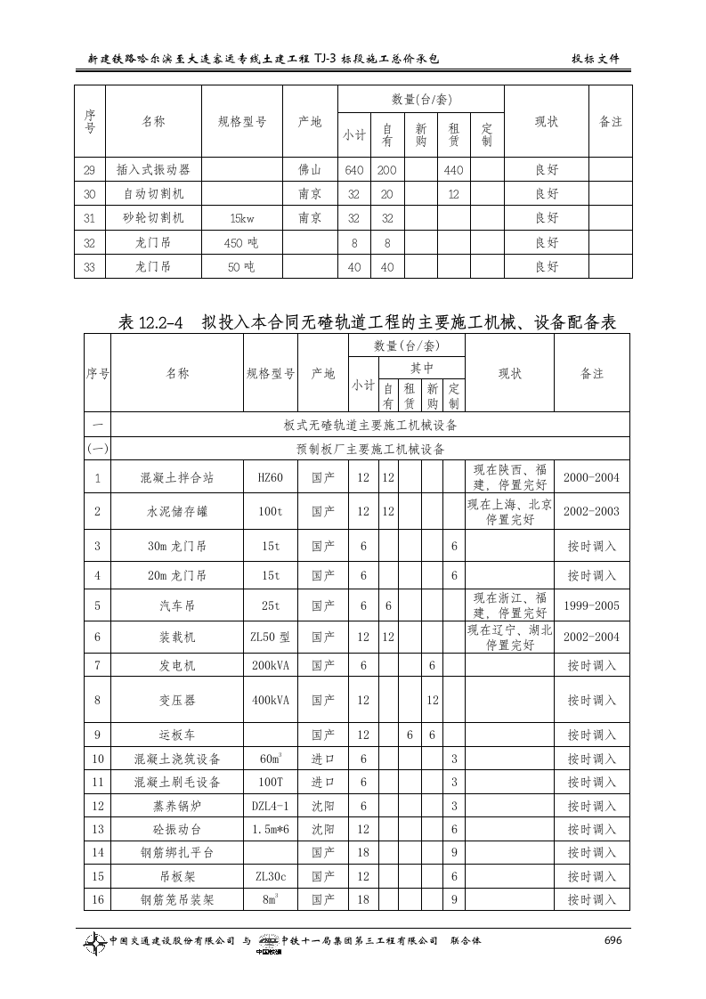
第十二章__主要施工机械设备、试验、.doc 第2页
第十二章__主要施工机械设备、试验、.doc 第3页
第十二章__主要施工机械设备、试验、.doc 第4页
第十二章__主要施工机械设备、试验、.doc 第5页
第十二章__主要施工机械设备、试验、.doc 第6页
第十二章__主要施工机械设备、试验、.doc 第7页
第十二章__主要施工机械设备、试验、.doc 第8页
第十二章__主要施工机械设备、试验、.doc 第9页
第十二章__主要施工机械设备、试验、.doc 第10页
第十二章__主要施工机械设备、试验、.doc 第11页
第十二章__主要施工机械设备、试验、.doc 第12页
第十二章__主要施工机械设备、试验、.doc 第13页
第十二章__主要施工机械设备、试验、.doc 第14页
第十二章__主要施工机械设备、试验、.doc 第15页
剩余2页未读, 下载浏览全部

开通会员, 优惠多多

6重权益等你来

首次半价下载
折扣特惠
上传高收益
特权文档
AI慧写优惠
专属客服
第十二章__主要施工机械设备、试验、.doc
下载提示

1.本文档仅提供部分内容试读;

2.支付并下载文件,享受无限制查看;

3.本网站所提供的标准文本仅供个人学习、研究之用,未经授权,严禁复制、发行、汇编、翻译或网络传播等,侵权必究;

4.左侧添加客服微信获取帮助;

5.本文为word版本,可以直接复制编辑使用。


这个人很懒,什么都没留下
未认证用户 查看用户
该文档于 上传
×
精品标书制作
百人专家团队
擅长领域:
工程标 服务标 采购标
16852
已服务主
2892
中标量
1765
平台标师
扫码添加客服
客服二维码
咨询热线:192 3288 5147
公众号
微信客服
客服